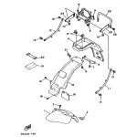
Artikelname: STUTZE, VORNE 1
Hersteller: Yamaha
OEM Nummer: 2MA-2474F-00 (2MA2474F0000)
Kategorien: KOTFLUGEL
Yamaha Motor Co., Ltd.
YAMAHA MOTOR EUROPE N.V.
Hansemannstraße 12, 41468 Neuss
Postfach 21 06 53, 41432 Neuss
Deutschland
https://global.yamaha-motor.com/
https://www.yamaha-motor.eu/de