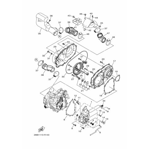
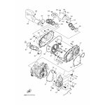
Artikelname: O-RING (O-RING)
Hersteller: Yamaha
OEM Nummer: 2MB-E4G97-00 (2MBE4G9700)
Kategorien: Kurbelgehäusedeckel
2018
GRIZZLY 700 EPS (YFM700FWAD)
KODIAK 700 (YFM700FWB)
WOLVERINE R (YXE700E)
KODIAK 700 EPS (YFM700FWBD)
2017
KODIAK 700 (YFM700FWB)
GRIZZLY 700 EPS (YFM700FWAD)
WOLVERINE R (YXE700E)
KODIAK 700 EPS (YFM700FWBD)
WOLVERINE R (YXE700ES)
2016
WOLVERINE R (YXE700E)
GRIZZLY 700 EPS (YFM700FWAD)
KODIAK 700 EPS (YFM700FWBD)
KODIAK 700 (YFM700FWB)
WOLVERINE R (YXE700ES)
GRIZZLY 700 4WD (YFM700FWA)
Yamaha Motor Co., Ltd.
YAMAHA MOTOR EUROPE N.V.
Hansemannstraße 12, 41468 Neuss
Postfach 21 06 53, 41432 Neuss
Deutschland
https://global.yamaha-motor.com/
https://www.yamaha-motor.eu/de