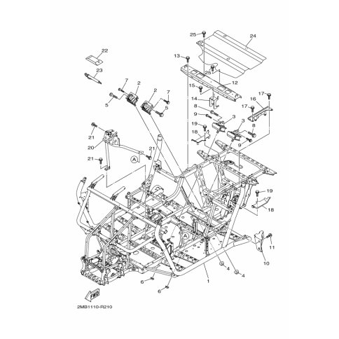
Artikelname: INSULATOR, HEAT (INSULATOR, HEAT)
Hersteller: Yamaha
OEM Nummer: 2MB-F2898-00 (2MBF289800)
Kategorien: Rahmen
2018
WOLVERINE R (YXE700E)
2017
WOLVERINE R (YXE700E)
WOLVERINE R (YXE700ES)
2016
WOLVERINE R (YXE700E)
WOLVERINE R (YXE700ES)
Yamaha Motor Co., Ltd.
YAMAHA MOTOR EUROPE N.V.
Hansemannstraße 12, 41468 Neuss
Postfach 21 06 53, 41432 Neuss
Deutschland
https://global.yamaha-motor.com/
https://www.yamaha-motor.eu/de