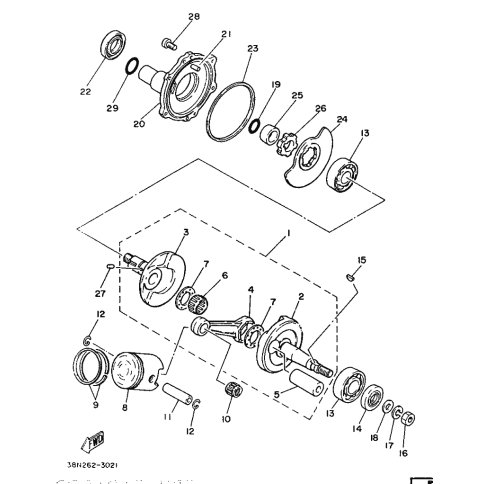
Artikelname: KOLBEN (1.00MM UG) (PISTON (1.00MM O/S))
Hersteller: Yamaha
OEM Nummer: 2N3-11638-02 (2N31163802)
Kategorien: Kurbelwelle & Kolben
1987
YB100
Yamaha Motor Co., Ltd.
YAMAHA MOTOR EUROPE N.V.
Hansemannstraße 12, 41468 Neuss
Postfach 21 06 53, 41432 Neuss
Deutschland
https://global.yamaha-motor.com/
https://www.yamaha-motor.eu/de