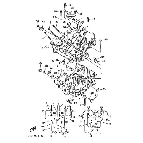
Artikelname: DUSE (NOZZLE ASSY)
Hersteller: Yamaha
OEM Nummer: 2NK-15105-00 (2NK1510500)
Kategorien: Kurbelgehäuse
1988
FZR750R
Yamaha Motor Co., Ltd.
YAMAHA MOTOR EUROPE N.V.
Hansemannstraße 12, 41468 Neuss
Postfach 21 06 53, 41432 Neuss
Deutschland
https://global.yamaha-motor.com/
https://www.yamaha-motor.eu/de