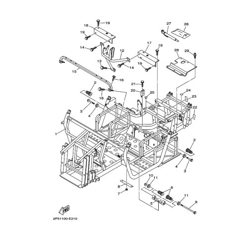
Artikelname: KONSOLE, UNTEN (BRACKET, UNDER)
Hersteller: Yamaha
OEM Nummer: 2P5-F2229-00 (2P5F222900)
Kategorien: Rahmen
2006
RHINO 450 (YXR450F)
Yamaha Motor Co., Ltd.
YAMAHA MOTOR EUROPE N.V.
Hansemannstraße 12, 41468 Neuss
Postfach 21 06 53, 41432 Neuss
Deutschland
https://global.yamaha-motor.com/
https://www.yamaha-motor.eu/de