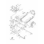
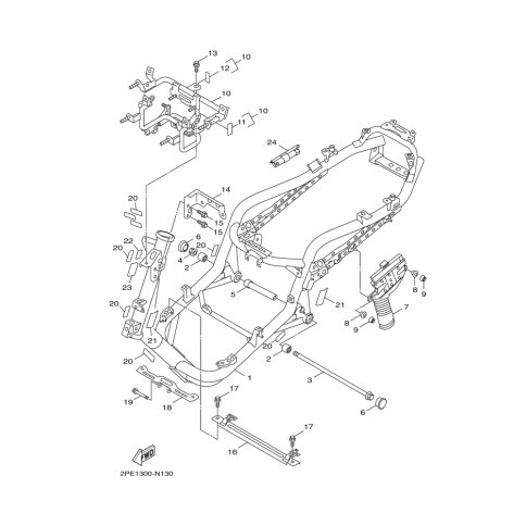
Artikelname: RAHMEN KOMPL (FRAME COMP)
Hersteller: Yamaha
OEM Nummer: 2PE-F1110-00-33 (2PEF11100033)
Kategorien: Rahmen
2014
MAJESTY S (XC125R)
Yamaha Motor Co., Ltd.
YAMAHA MOTOR EUROPE N.V.
Hansemannstraße 12, 41468 Neuss
Postfach 21 06 53, 41432 Neuss
Deutschland
https://global.yamaha-motor.com/
https://www.yamaha-motor.eu/de