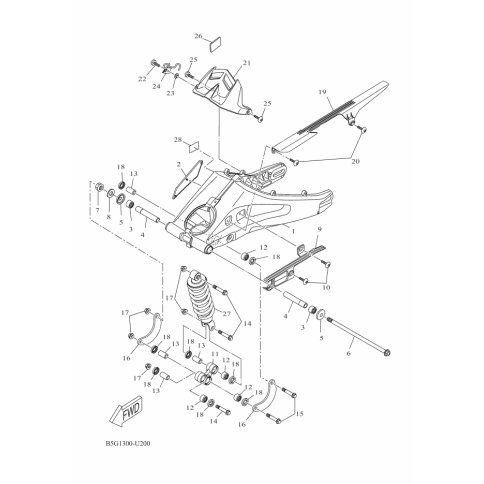
Artikelname: STAUBDECKEL 1 (COVER, THRUST 1)
Hersteller: Yamaha
OEM Nummer: 2PK-F2128-01 (2PKF21280100)
Kategorien: Schwinge & Aufhaengung, Heck & Federung
2023
XSR125 (MTM125)
2022
YZF-R125 (YZF125-A)
MTN125-A
MT125 (MTM125-C)
MT125 (MTN125-A)
2021
MT-125 (MTN125-A)
YZF-R125 (YZF125-A)
Yamaha Motor Co., Ltd.
YAMAHA MOTOR EUROPE N.V.
Hansemannstraße 12, 41468 Neuss
Postfach 21 06 53, 41432 Neuss
Deutschland
https://global.yamaha-motor.com/
https://www.yamaha-motor.eu/de