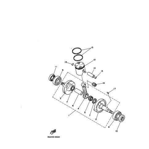
Artikelname: PLEUELSTANGE (???,???????)
Hersteller: Yamaha
OEM Nummer: 2RA-11651-00 (2RA1165100)
Kategorien: Allgemein
1992
TZR80RR
1988
TDR80
Yamaha Motor Co., Ltd.
YAMAHA MOTOR EUROPE N.V.
Hansemannstraße 12, 41468 Neuss
Postfach 21 06 53, 41432 Neuss
Deutschland
https://global.yamaha-motor.com/
https://www.yamaha-motor.eu/de