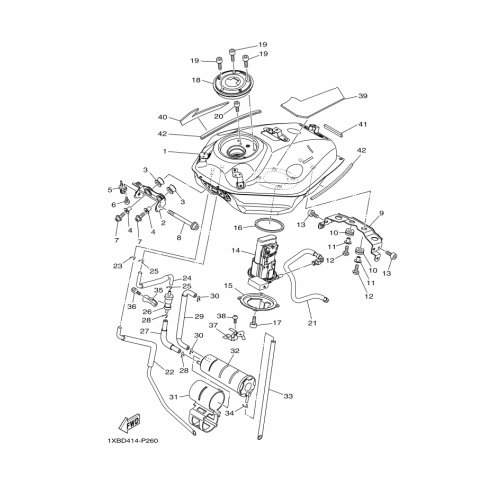
Artikelname: KLEMME 1 (CLAMP 1)
Hersteller: Yamaha
OEM Nummer: 2RC-24135-00 (2RC2413500)
Kategorien: Tank
2017
MT-07 ABS (MT07A)
Yamaha Motor Co., Ltd.
YAMAHA MOTOR EUROPE N.V.
Hansemannstraße 12, 41468 Neuss
Postfach 21 06 53, 41432 Neuss
Deutschland
https://global.yamaha-motor.com/
https://www.yamaha-motor.eu/de