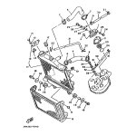
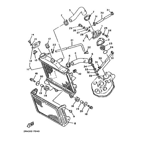
Artikelname: ROHR 3 (TUBO 3)
Hersteller: Yamaha
OEM Nummer: 2RN-E2483-00 (2RNE248300)
Kategorien: Allgemein
1987
TZR125
TZR75
Yamaha Motor Co., Ltd.
YAMAHA MOTOR EUROPE N.V.
Hansemannstraße 12, 41468 Neuss
Postfach 21 06 53, 41432 Neuss
Deutschland
https://global.yamaha-motor.com/
https://www.yamaha-motor.eu/de