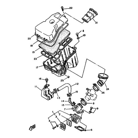
Artikelname: KANAL (DUCT)
Hersteller: Yamaha
OEM Nummer: 2RN-E4437-00 (2RNE443700)
Kategorien: Einlass
1991
TZR125
1987
TZR125
Yamaha Motor Co., Ltd.
YAMAHA MOTOR EUROPE N.V.
Hansemannstraße 12, 41468 Neuss
Postfach 21 06 53, 41432 Neuss
Deutschland
https://global.yamaha-motor.com/
https://www.yamaha-motor.eu/de