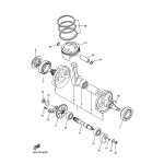
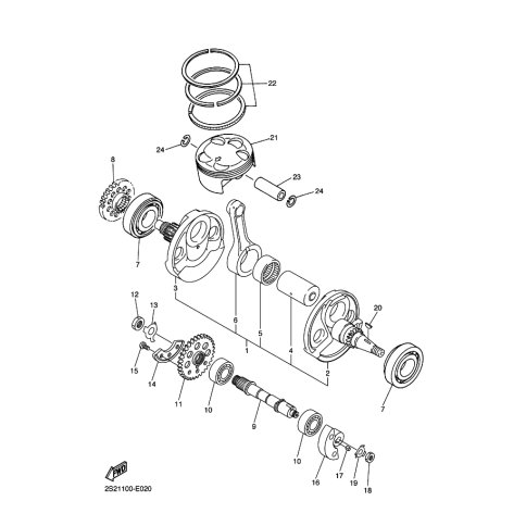
Artikelname: PLEUELSTANGE (ROD, CONNECTING)
Hersteller: Yamaha
OEM Nummer: 2S2-11651-00 (2S21165100)
Kategorien: Kurbelwelle & Kolben
2011
WR450F (WR450F)
2010
WR450F (WR450F)
2009
WR450F (WR450F)
YZ450F (YZ450F)
2008
YZ450F (YZ450F)
WR450F (WR450F)
2007
YZ450F (YZ450F)
WR450F (WR450F)
2006
YZ450F (YZ450F)
Yamaha Motor Co., Ltd.
YAMAHA MOTOR EUROPE N.V.
Hansemannstraße 12, 41468 Neuss
Postfach 21 06 53, 41432 Neuss
Deutschland
https://global.yamaha-motor.com/
https://www.yamaha-motor.eu/de