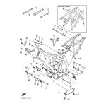
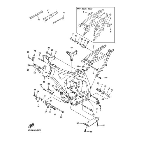
Artikelname: POSITIONIERDAMPFER 1 (DAMPER, LOCATING 1)
Hersteller: Yamaha
OEM Nummer: 2S2-21778-00 (2S22177800)
Kategorien: Rahmen
2008
YZ450F (YZ450F)
Yamaha Motor Co., Ltd.
YAMAHA MOTOR EUROPE N.V.
Hansemannstraße 12, 41468 Neuss
Postfach 21 06 53, 41432 Neuss
Deutschland
https://global.yamaha-motor.com/
https://www.yamaha-motor.eu/de