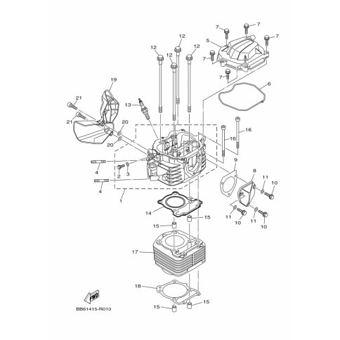
Artikelname: DECKEL, ZYLINDERKOPF (COVER ASSY, CYLINDER HEAD)
Hersteller: Yamaha
OEM Nummer: 2SB-Y1119-00 (2SBY111900)
Kategorien: Zylinder
2017
YS125 (YS125-5C)
Yamaha Motor Co., Ltd.
YAMAHA MOTOR EUROPE N.V.
Hansemannstraße 12, 41468 Neuss
Postfach 21 06 53, 41432 Neuss
Deutschland
https://global.yamaha-motor.com/
https://www.yamaha-motor.eu/de