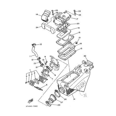
Artikelname: KAPPE, FILTERGEHAUSE (CAP, CLEANER CASE 1)
Hersteller: Yamaha
OEM Nummer: 2TV-14412-00 (2TV1441200)
Kategorien: Aufnahme
1987
SDR
Yamaha Motor Co., Ltd.
YAMAHA MOTOR EUROPE N.V.
Hansemannstraße 12, 41468 Neuss
Postfach 21 06 53, 41432 Neuss
Deutschland
https://global.yamaha-motor.com/
https://www.yamaha-motor.eu/de