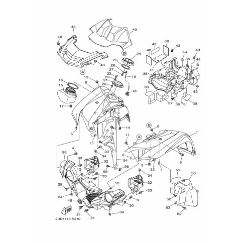
Artikelname: KOTFLUGEL, VORNE 2 (FENDER, FRONT 2)
Hersteller: Yamaha
OEM Nummer: 2UD-F1556-20 (2UDF155620)
Kategorien: Kotflügel
2016
GRIZZLY 700 EPS (YFM700FWAD)
GRIZZLY 700 4WD (YFM700FWA)
Yamaha Motor Co., Ltd.
YAMAHA MOTOR EUROPE N.V.
Hansemannstraße 12, 41468 Neuss
Postfach 21 06 53, 41432 Neuss
Deutschland
https://global.yamaha-motor.com/
https://www.yamaha-motor.eu/de