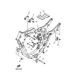
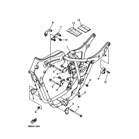
Artikelname: RAHMEN KOMPL (FRAME COMP)
Hersteller: Yamaha
OEM Nummer: 2UJ-21110-03-33 (2UJ211100333)
Kategorien: Rahmen
1997
XV250S
1996
VIRAGO (XV250)
1995
VIRAGO (XV250)
VIRAGO (XV250S)
XV250S
1994
VIRAGO (XV250)
Yamaha Motor Co., Ltd.
YAMAHA MOTOR EUROPE N.V.
Hansemannstraße 12, 41468 Neuss
Postfach 21 06 53, 41432 Neuss
Deutschland
https://global.yamaha-motor.com/
https://www.yamaha-motor.eu/de