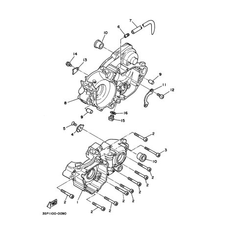
Artikelname: KURBELGEHAUSE 2 (CRANKCASE 2)
Hersteller: Yamaha
OEM Nummer: 2VM-15121-01 (2VM1512101)
Kategorien: Kurbelgehäuse
1994
WR250Z
YZ250
1993
WR250Z
1992
YZ250
WR250Z
1991
YZ250
WR250Z
Yamaha Motor Co., Ltd.
YAMAHA MOTOR EUROPE N.V.
Hansemannstraße 12, 41468 Neuss
Postfach 21 06 53, 41432 Neuss
Deutschland
https://global.yamaha-motor.com/
https://www.yamaha-motor.eu/de