Artikelname: BREMSSCHLAUCH (HOSE, brake)
Hersteller: Yamaha
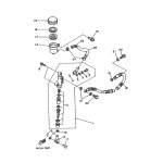
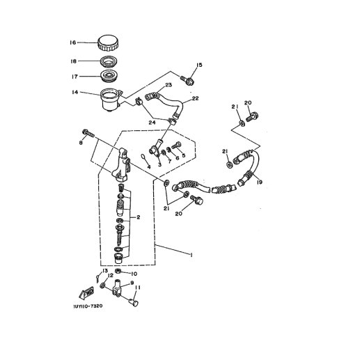
OEM Nummer: 2XK-25874-00 (2XK2587400)
Kategorien: Hauptbremszylinder
1988
WARRIOR (YFM350X)
Yamaha Motor Co., Ltd.
YAMAHA MOTOR EUROPE N.V.
Hansemannstraße 12, 41468 Neuss
Postfach 21 06 53, 41432 Neuss
Deutschland
https://global.yamaha-motor.com/
https://www.yamaha-motor.eu/de