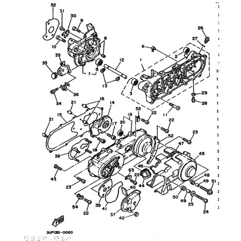
Artikelname: DECKEL, KURBELGEHAEUSE 3 (COUVERCLE 3, CARTER)
Hersteller: Yamaha
OEM Nummer: 2XX-15431-00 (2XX1543100)
Kategorien: Seitendeckel
1992
ACTIVE (CH80)
1990
ACTIVE (CH80)
Yamaha Motor Co., Ltd.
YAMAHA MOTOR EUROPE N.V.
Hansemannstraße 12, 41468 Neuss
Postfach 21 06 53, 41432 Neuss
Deutschland
https://global.yamaha-motor.com/
https://www.yamaha-motor.eu/de