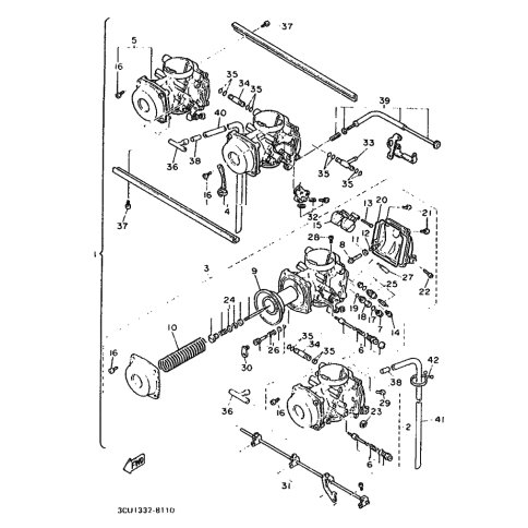
Artikelname: VERGASEREINHEIT 2 (CARBURETOR ASSY 2)
Hersteller: Yamaha
OEM Nummer: 2YJ-14902-00 (2YJ1490200)
Kategorien: Vergaser
1988
FZR750R
Yamaha Motor Co., Ltd.
YAMAHA MOTOR EUROPE N.V.
Hansemannstraße 12, 41468 Neuss
Postfach 21 06 53, 41432 Neuss
Deutschland
https://global.yamaha-motor.com/
https://www.yamaha-motor.eu/de