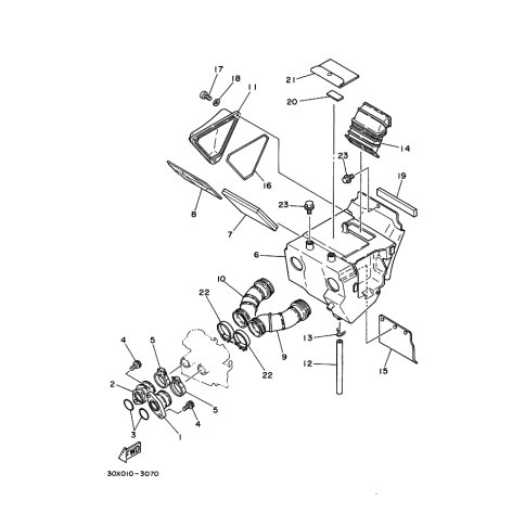
Artikelname: KANAL (DUCT)
Hersteller: Yamaha
OEM Nummer: 30X-14437-00 (30X1443700)
Kategorien: Einlass
1996
XT350
1993
XT350
1989
XT350
Yamaha Motor Co., Ltd.
YAMAHA MOTOR EUROPE N.V.
Hansemannstraße 12, 41468 Neuss
Postfach 21 06 53, 41432 Neuss
Deutschland
https://global.yamaha-motor.com/
https://www.yamaha-motor.eu/de