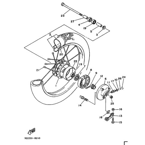
Artikelname: SPEICHENSATZ, VORNE (SPOKE SET, FRONT)
Hersteller: Yamaha
OEM Nummer: 34M-25104-00 (34M2510400)
Kategorien: Vorderrad
1988
FS1
Yamaha Motor Co., Ltd.
YAMAHA MOTOR EUROPE N.V.
Hansemannstraße 12, 41468 Neuss
Postfach 21 06 53, 41432 Neuss
Deutschland
https://global.yamaha-motor.com/
https://www.yamaha-motor.eu/de