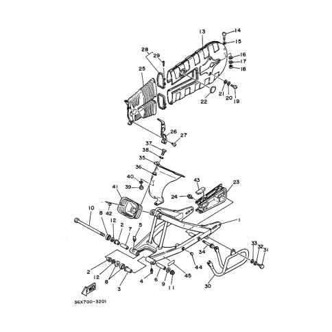
Artikelname: KETTENFUHRUNG (GUARD, CHAIN)
Hersteller: Yamaha
OEM Nummer: 36X-22318-00 (36X2231800)
Kategorien: Heck, Hinterer Arm
1993
AG200E
1985
AG200
Yamaha Motor Co., Ltd.
YAMAHA MOTOR EUROPE N.V.
Hansemannstraße 12, 41468 Neuss
Postfach 21 06 53, 41432 Neuss
Deutschland
https://global.yamaha-motor.com/
https://www.yamaha-motor.eu/de