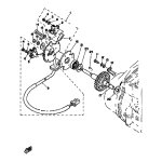
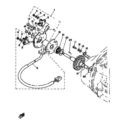
Artikelname: UNTERBRECHERWELLE (BREAKER SHAFT ASSY)
Hersteller: Yamaha
OEM Nummer: 371-11150-02 (3711115002)
Kategorien: Zündung
1976
XS500
Yamaha Motor Co., Ltd.
YAMAHA MOTOR EUROPE N.V.
Hansemannstraße 12, 41468 Neuss
Postfach 21 06 53, 41432 Neuss
Deutschland
https://global.yamaha-motor.com/
https://www.yamaha-motor.eu/de