Artikelname: SCHUTZ, MOTOR (PROTECTOR, ENGINE)
Hersteller: Yamaha
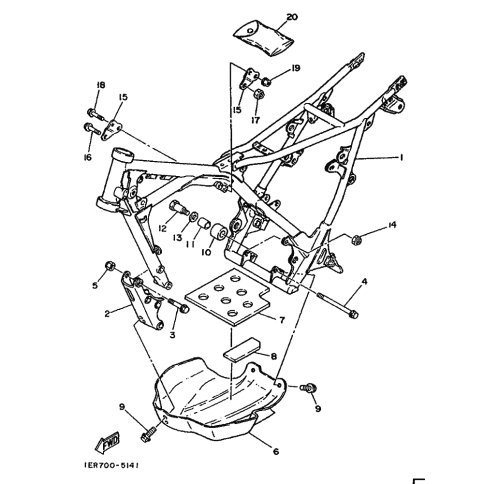
OEM Nummer: 38V-21471-02 (38V2147102)
Kategorien: Rahmen
1988
TY250R
TY250
Yamaha Motor Co., Ltd.
YAMAHA MOTOR EUROPE N.V.
Hansemannstraße 12, 41468 Neuss
Postfach 21 06 53, 41432 Neuss
Deutschland
https://global.yamaha-motor.com/
https://www.yamaha-motor.eu/de