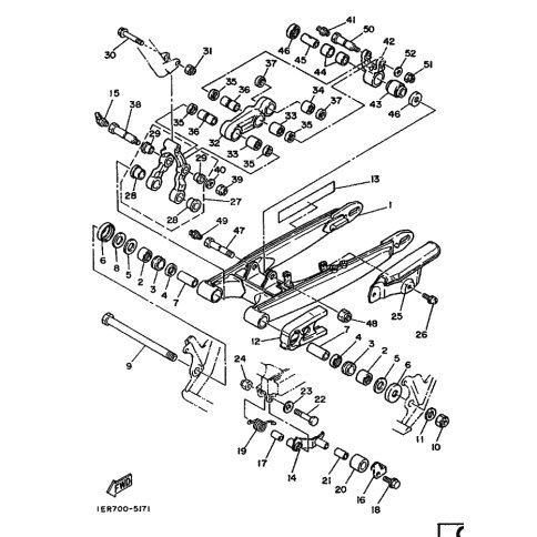
Artikelname: SCHUTZ, KETTE (PROTECTOR, CHAIN)
Hersteller: Yamaha
OEM Nummer: 38V-22147-01 (38V2214701)
Kategorien: Heck
1988
TY250
Yamaha Motor Co., Ltd.
YAMAHA MOTOR EUROPE N.V.
Hansemannstraße 12, 41468 Neuss
Postfach 21 06 53, 41432 Neuss
Deutschland
https://global.yamaha-motor.com/
https://www.yamaha-motor.eu/de