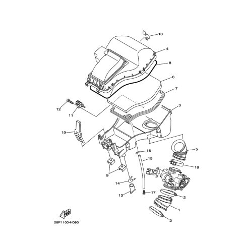
Artikelname: KAPPE, LUFTFILTER (CAP ASSY, AIR CLEANER)
Hersteller: Yamaha
OEM Nummer: 3B4-14402-02 (3B41440202)
Kategorien: Einlass
2009
GRIZZLY 700 (YFM700FWAD)
Yamaha Motor Co., Ltd.
YAMAHA MOTOR EUROPE N.V.
Hansemannstraße 12, 41468 Neuss
Postfach 21 06 53, 41432 Neuss
Deutschland
https://global.yamaha-motor.com/
https://www.yamaha-motor.eu/de