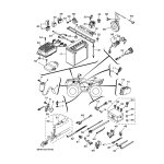
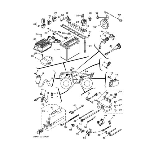
Artikelname: KABELBAUM KOMPL (WIRE HARNESS ASSY)
Hersteller: Yamaha
OEM Nummer: 3B4-82590-30 (3B48259030)
Kategorien: Elektrik 1
2008
GRIZZLY 700 (YFM700FWAD)
Yamaha Motor Co., Ltd.
YAMAHA MOTOR EUROPE N.V.
Hansemannstraße 12, 41468 Neuss
Postfach 21 06 53, 41432 Neuss
Deutschland
https://global.yamaha-motor.com/
https://www.yamaha-motor.eu/de