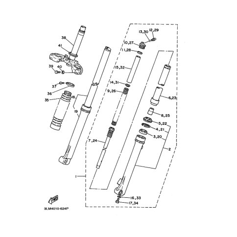
Artikelname: MANSCHETTE (???)
Information: UR ??????????????? 1
Hersteller: Yamaha
OEM Nummer: 3BK-23191-20 (3BK2319120)
Kategorien: Allgemein
1992
DT50LC
Yamaha Motor Co., Ltd.
YAMAHA MOTOR EUROPE N.V.
Hansemannstraße 12, 41468 Neuss
Postfach 21 06 53, 41432 Neuss
Deutschland
https://global.yamaha-motor.com/
https://www.yamaha-motor.eu/de