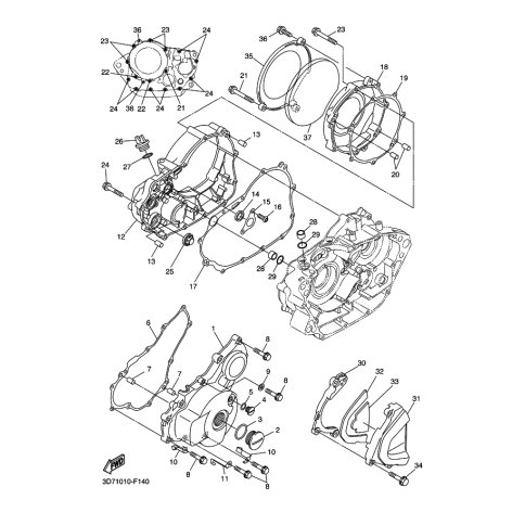
Artikelname: DICHTUNG, VERGASERDECKEL (GASKET)
Hersteller: Yamaha
OEM Nummer: 3D7-15453-00 (3D71545300)
Kategorien: Kurbelgehäusedeckel
2009
WR250R (WR250R)
WR250X (WR250X)
2008
WR250X (WR250X)
WR250R (WR250R)
Yamaha Motor Co., Ltd.
YAMAHA MOTOR EUROPE N.V.
Hansemannstraße 12, 41468 Neuss
Postfach 21 06 53, 41432 Neuss
Deutschland
https://global.yamaha-motor.com/
https://www.yamaha-motor.eu/de