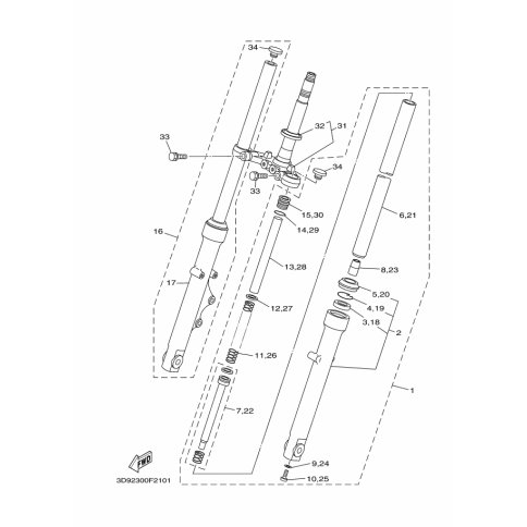
Artikelname: GABELBEIN (LINKS) (FRONT FORK ASSY (L.H))
Hersteller: Yamaha
OEM Nummer: 3D9-F3102-10 (3D9F310210)
Kategorien: Gabel
2007
YBR125 (YBR125ED)
Yamaha Motor Co., Ltd.
YAMAHA MOTOR EUROPE N.V.
Hansemannstraße 12, 41468 Neuss
Postfach 21 06 53, 41432 Neuss
Deutschland
https://global.yamaha-motor.com/
https://www.yamaha-motor.eu/de