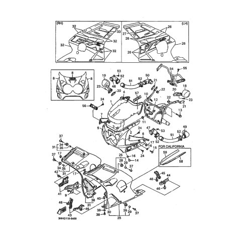
Artikelname: KAROSSERIE, V. UNTEN 1 (BODY, FRONT LOWER 2)
Hersteller: Yamaha
OEM Nummer: 3EN-Y283K-0M-2Y (3ENY283K0M2Y)
Kategorien: Kühlung 1
1996
GENESIS (FZR600)
Yamaha Motor Co., Ltd.
YAMAHA MOTOR EUROPE N.V.
Hansemannstraße 12, 41468 Neuss
Postfach 21 06 53, 41432 Neuss
Deutschland
https://global.yamaha-motor.com/
https://www.yamaha-motor.eu/de