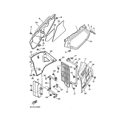
Artikelname: KONSOLE 2 (BRACKET 2)
Hersteller: Yamaha
OEM Nummer: 3ET-2172L-00 (3ET2172L00)
Kategorien: Seitenverkleidung & Öltank, Seitendeckel, Seitenabdeckung
1996
DT200R
1995
DT200R
1989
DT200R
1988
DT200R
Yamaha Motor Co., Ltd.
YAMAHA MOTOR EUROPE N.V.
Hansemannstraße 12, 41468 Neuss
Postfach 21 06 53, 41432 Neuss
Deutschland
https://global.yamaha-motor.com/
https://www.yamaha-motor.eu/de