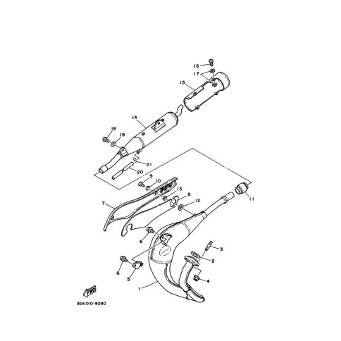
Artikelname: DAMPFER, SCHALLDAMPFER (???,????)
Hersteller: Yamaha
OEM Nummer: 3FY-14737-00 (3FY1473700)
Kategorien: Auspuff
1988
TDR80
TDR50
Yamaha Motor Co., Ltd.
YAMAHA MOTOR EUROPE N.V.
Hansemannstraße 12, 41468 Neuss
Postfach 21 06 53, 41432 Neuss
Deutschland
https://global.yamaha-motor.com/
https://www.yamaha-motor.eu/de