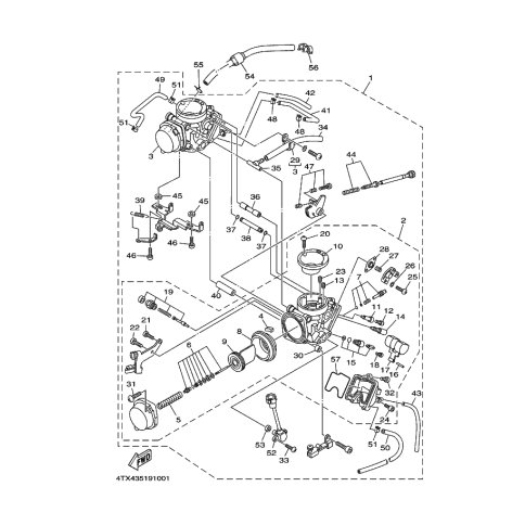
Artikelname: HAUPTDUSE (JET, MAIN (#147.5))
Hersteller: Yamaha
OEM Nummer: 3G2-1423A-80 (3G21423A80)
Kategorien: Vergaser
2004
VENTURE (SXV70VT)
2003
SXViper ER (SXV70ER)
SXViper Mountain (SXV700)
VENTURE 600 (VT600)
VENTURE 700 (VT700)
2001
TDM850
2000
TDM850
1999
TDM850
1997
MOUNTAIN MAX 700 (VX700LT)
MOUNTAIN MAX 600 (VX600LT)
VMAX SX (VX600SX)
VMAX 700 SX (VX700SX)
1993
EXCITER II SX (EX570SX)
Yamaha Motor Co., Ltd.
YAMAHA MOTOR EUROPE N.V.
Hansemannstraße 12, 41468 Neuss
Postfach 21 06 53, 41432 Neuss
Deutschland
https://global.yamaha-motor.com/
https://www.yamaha-motor.eu/de