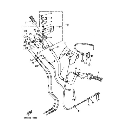
Artikelname: HEBEL 2 (LEVER 2)
Hersteller: Yamaha
OEM Nummer: 3GB-83922-00 (3GB8392200)
Kategorien: Lenker, Lenker, Griff & Kabel
1998
BREEZE (YFA1)
BADGER (YFM80)
1996
BADGER (YF80M)
BREEZE (YFA1)
BREEZE (YFA-1)
BADGER (YFM80)
1995
BREEZE (YFA-1)
BADGER (YFM80)
BREEZE (YFA1)
1994
BREEZE (YFA1)
BADGER (YFM80)
1992
BADGER (YFM80)
BREEZE (YFA1)
1991
CHAMP (YFM100)
1990
BREEZE (YFA1)
CHAMP (YFM100)
Yamaha Motor Co., Ltd.
YAMAHA MOTOR EUROPE N.V.
Hansemannstraße 12, 41468 Neuss
Postfach 21 06 53, 41432 Neuss
Deutschland
https://global.yamaha-motor.com/
https://www.yamaha-motor.eu/de