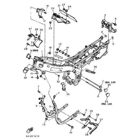
Artikelname: KONSOLE, SCHLUSSLICHT (BRACKET, TAILLIGHT)
Hersteller: Yamaha
OEM Nummer: 3HE-2117E-00 (3HE2117E00)
Kategorien: Rahmen
1997
GENESIS (FZR600)
1996
GENESIS (FZR600)
1995
GENESIS (FZR600)
1993
GENESIS (FZR600)
FZR500
1992
GENESIS (FZR600)
FZR500
1991
FZR500
GENESIS (FZR600)
1990
GENESIS (FZR600)
FZR500
1989
GENESIS (FZR600)
FZR500
Yamaha Motor Co., Ltd.
YAMAHA MOTOR EUROPE N.V.
Hansemannstraße 12, 41468 Neuss
Postfach 21 06 53, 41432 Neuss
Deutschland
https://global.yamaha-motor.com/
https://www.yamaha-motor.eu/de