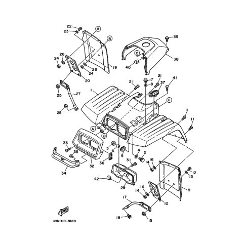
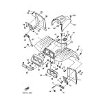
Artikelname: KOTFLUGEL, VORNE (FENDER, FRONT)
Hersteller: Yamaha
OEM Nummer: 3HN-21511-61 (3HN2151161)
Kategorien: Kotflügel
1990
BIG BEAR 350 (YFM350FW)
Yamaha Motor Co., Ltd.
YAMAHA MOTOR EUROPE N.V.
Hansemannstraße 12, 41468 Neuss
Postfach 21 06 53, 41432 Neuss
Deutschland
https://global.yamaha-motor.com/
https://www.yamaha-motor.eu/de