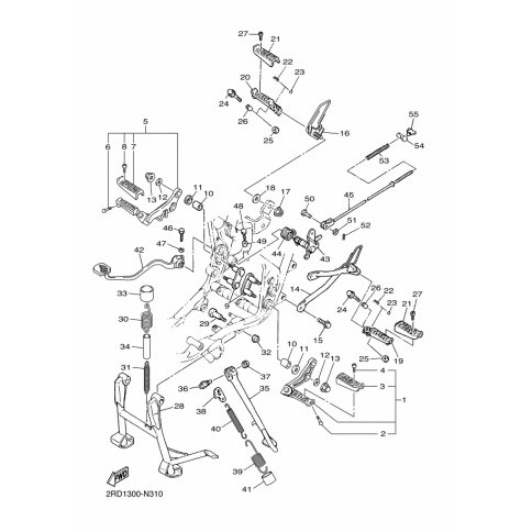
Artikelname: KONSOLE 2 (BRACKET 2)
Hersteller: Yamaha
OEM Nummer: 3HT-27442-00 (3HT2744200)
Kategorien: Ständer & Fussraste
2016
SR400
2014
SR400
Yamaha Motor Co., Ltd.
YAMAHA MOTOR EUROPE N.V.
Hansemannstraße 12, 41468 Neuss
Postfach 21 06 53, 41432 Neuss
Deutschland
https://global.yamaha-motor.com/
https://www.yamaha-motor.eu/de