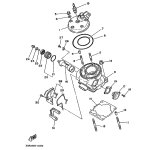
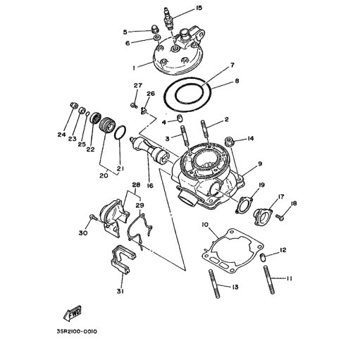
Artikelname: GEHAUSE 2 (HOUSING 2)
Hersteller: Yamaha
OEM Nummer: 3JD-11992-10 (3JD1199210)
Kategorien: Zylinderkopf
1991
YZ125
1990
YZ125
Yamaha Motor Co., Ltd.
YAMAHA MOTOR EUROPE N.V.
Hansemannstraße 12, 41468 Neuss
Postfach 21 06 53, 41432 Neuss
Deutschland
https://global.yamaha-motor.com/
https://www.yamaha-motor.eu/de