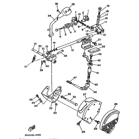
Artikelname: PLATTE, ANSCHLAG (PLATE, STOPPER)
Hersteller: Yamaha
OEM Nummer: 3JN-18141-00 (3JN1814100)
Kategorien: Schalthebel
1990
MOTO 4 - 250 (YFM250)
PRO HAULER (YFU1T)
1989
PRO HAULER (YFU1)
Yamaha Motor Co., Ltd.
YAMAHA MOTOR EUROPE N.V.
Hansemannstraße 12, 41468 Neuss
Postfach 21 06 53, 41432 Neuss
Deutschland
https://global.yamaha-motor.com/
https://www.yamaha-motor.eu/de