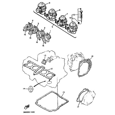
Artikelname: DICHTUNG, KRUMMER (GASKET, MANIFOLD)
Hersteller: Yamaha
OEM Nummer: 3KM-13556-00 (3KM1355600)
Kategorien: Alternative (Motor)
1991
XJ600
Yamaha Motor Co., Ltd.
YAMAHA MOTOR EUROPE N.V.
Hansemannstraße 12, 41468 Neuss
Postfach 21 06 53, 41432 Neuss
Deutschland
https://global.yamaha-motor.com/
https://www.yamaha-motor.eu/de