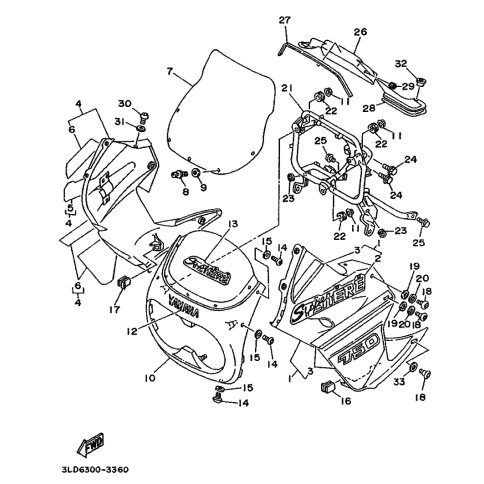
Artikelname: KAROSSERIE, VERKLEIDUNG (KAROSSERIE, VERKLEIDUNG)
Information: UR^BLACK 2 FUR BL2
Hersteller: Yamaha
OEM Nummer: 3LD-28351-00-4B (3LD28351004B)
Kategorien: Motorverkleidung
1993
SUPERTENERE (XTZ750)
Yamaha Motor Co., Ltd.
YAMAHA MOTOR EUROPE N.V.
Hansemannstraße 12, 41468 Neuss
Postfach 21 06 53, 41432 Neuss
Deutschland
https://global.yamaha-motor.com/
https://www.yamaha-motor.eu/de