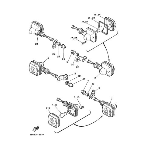
Artikelname: HINTERER BLINKER KOMPL. 1 (REAR FLASHER LIGHT ASSY 1)
Hersteller: Yamaha
OEM Nummer: 3LD-83330-00 (3LD8333000)
Kategorien: Blinker
1995
SUPERTENERE (XTZ750)
1994
SUPERTENERE (XTZ750)
1993
SUPERTENERE (XTZ750)
DT125R
1992
SUPERTENERE (XTZ750)
DT125RE
1991
SUPERTENERE (XTZ750)
DT125RE
DT125R
1990
SUPERTENERE (XTZ750)
XTZ750
SUPERTENERE (XTZ750A)
1989
SUPERTENERE (XTZ750)
Yamaha Motor Co., Ltd.
YAMAHA MOTOR EUROPE N.V.
Hansemannstraße 12, 41468 Neuss
Postfach 21 06 53, 41432 Neuss
Deutschland
https://global.yamaha-motor.com/
https://www.yamaha-motor.eu/de