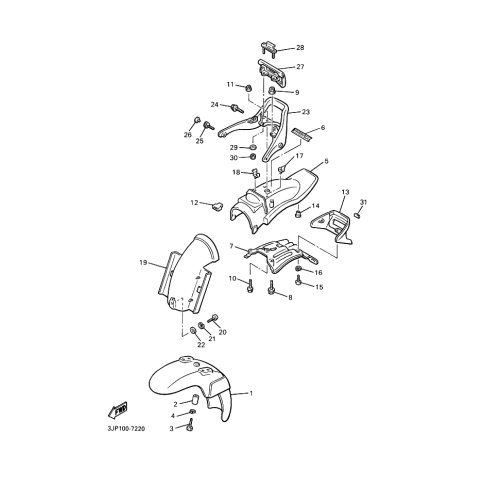
Artikelname: KOTFLUGEL, VORNE (FENDER, FRONT)
Hersteller: Yamaha
OEM Nummer: 3LR-21511-10 (3LR2151110)
Kategorien: Kotflugel
2002
VMAX 1200 (VMX12)
2001
VMAX 1200 (VMX12)
Yamaha Motor Co., Ltd.
YAMAHA MOTOR EUROPE N.V.
Hansemannstraße 12, 41468 Neuss
Postfach 21 06 53, 41432 Neuss
Deutschland
https://global.yamaha-motor.com/
https://www.yamaha-motor.eu/de