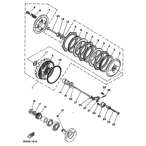
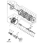
Artikelname: KUPPLUNGSEINHEIT (CLUTCH ASSY)
Hersteller: Yamaha
OEM Nummer: 3M8-16300-01 (3M81630001)
Kategorien: Kupplung
1982
RD80
Yamaha Motor Co., Ltd.
YAMAHA MOTOR EUROPE N.V.
Hansemannstraße 12, 41468 Neuss
Postfach 21 06 53, 41432 Neuss
Deutschland
https://global.yamaha-motor.com/
https://www.yamaha-motor.eu/de