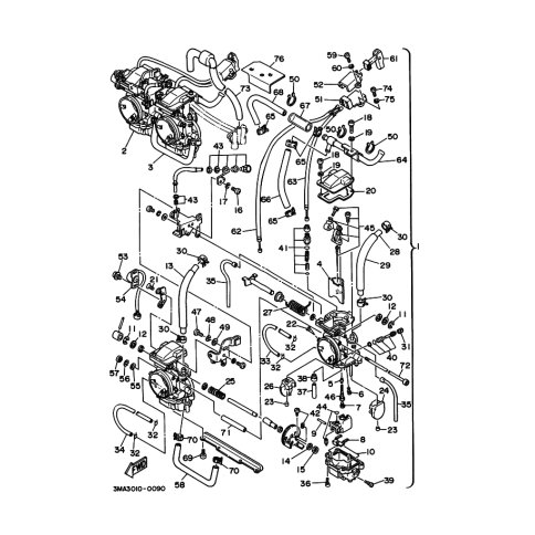
Artikelname: GEBER (THROTTLE SENSOR ASSY)
Hersteller: Yamaha
OEM Nummer: 3MA-85885-01 (3MA8588501)
Kategorien: Vergaser
1990
TZR250SP
Yamaha Motor Co., Ltd.
YAMAHA MOTOR EUROPE N.V.
Hansemannstraße 12, 41468 Neuss
Postfach 21 06 53, 41432 Neuss
Deutschland
https://global.yamaha-motor.com/
https://www.yamaha-motor.eu/de