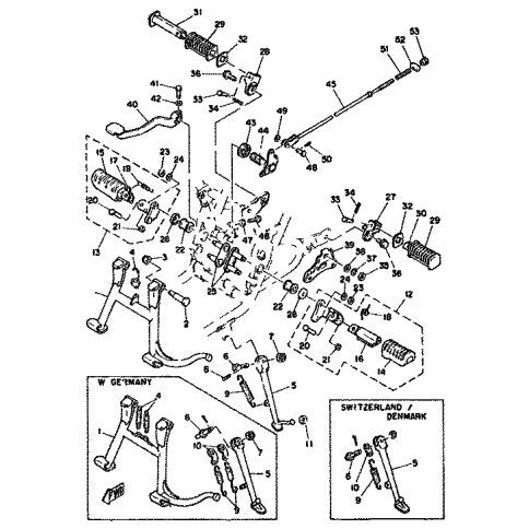
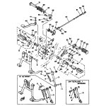
Artikelname: DECKEL, FUSSRASTE (COVER, FOOTREST)
Hersteller: Yamaha
OEM Nummer: 3N6-27413-00 (3N62741300)
Kategorien: Ständer & Fussraste
1979
XS250
XS400
Yamaha Motor Co., Ltd.
YAMAHA MOTOR EUROPE N.V.
Hansemannstraße 12, 41468 Neuss
Postfach 21 06 53, 41432 Neuss
Deutschland
https://global.yamaha-motor.com/
https://www.yamaha-motor.eu/de